Tuotteet
Varusteet kuljettimiin
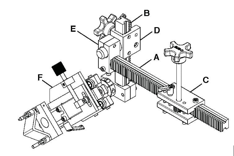
Hitsauspolttimenpidin pienahitsaus PAN-2145-LR
Tuotetiedot
PAN-2145-L, R

Tekniset tiedot
| Koodi | Kuvaus |
| 42913 |
Hyvän hitsin asialla
jo vuodesta 1999
Retco on palvellut hitsaajien ammattikuntaa ja suomalaista tuotantokenttää jo yli 25 vuotta. Vuosien varrella karttunut kokemus ei ole mennyt hukkaan - asiantuntijapalvelumme voi nyt suunnitella, konsultoida ja kouluttaa asiakkaitamme kaikissa hitsaukseen liittyvässä markkinajohtajan varmalla otteella. Tarvitsetko ideoita prosessiesi tehostamiseen?
Kysy asiantuntijaltamme


